
CHAINS FOR HARVESTER APPLICATION
FEEDER CHAIN
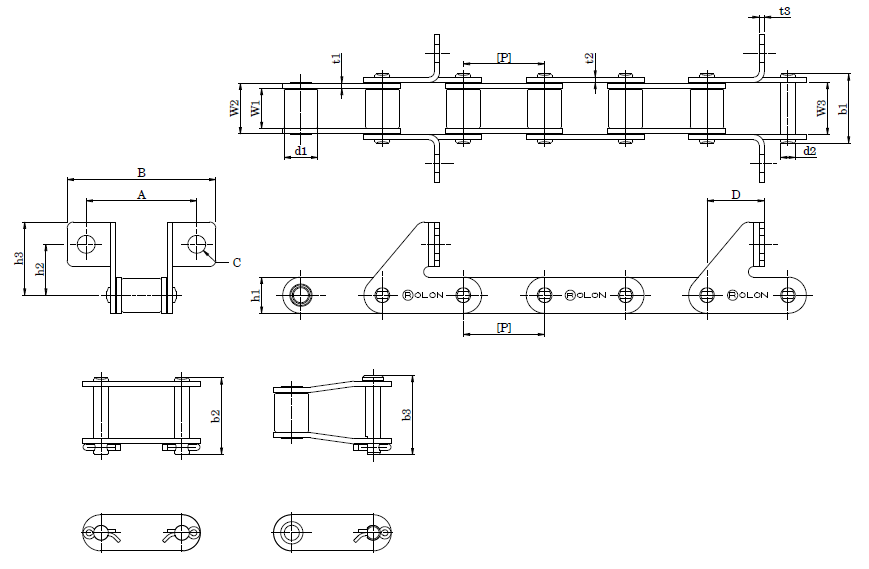
| ROLON Part No. | Pitch | WBIP | Roller Dia | Pin Dia | WOIP | WBOP | Pin Height | Inner Plate Height | Inner Plate Thick | Outer Plate Thick | Cotter Pin Width | 
|---|---|---|---|---|---|---|---|---|---|---|---|
| P mm | W1 (Min) mm | d1 (Max) mm | d2 (Max) mm | W2 (Max) mm | W3 (Min) mm | b1 (Max) mm | h1 (Max) mm | t1 (Nom) mm | t2 (Nom) mm | b2 (Max) mm | |
| RS63 | 41.30 | 21.40 | 15.88 | 8.28 | 28.30 | 28.70 | 39.50 | 21.50 | 3.20 | 3.00 | 42.50 | 
| RS64 | |||||||||||
| RS214 | |||||||||||
| RS215 | 
| ROLON Part No. | Overall Width | Tensile Strength | Attachment Intervals | Attachment Dimensions | |||||
|---|---|---|---|---|---|---|---|---|---|
| b3 (Max) mm | (Min) kgf | A (Nom) mm | B (Nom) mm | C (Nom) mm | D (Nom) mm | h2 (Nom) mm | t3 (Nom) mm | ||
| RS63 | 44.50 | 5400 | Every 4th Pitch | 70 | 90 | 11.5 | 8.5 | 15.5 | 3.00 | 
| RS64 | Every 2nd Pitch | ||||||||
| RS214 | Every 6th Pitch | ||||||||
| RS215 | Every 2nd & 3rd Pitch | ||||||||
 
															ELEVATOR CHAIN
| ROLON Part No. | Pitch | WBIP | Roller Dia | Pin Dia | WOIP | WBOP | Pin Height | Inner Plate Height | Inner Plate Thick | Outer Plate Thick | Cotter Pin Width | 
|---|---|---|---|---|---|---|---|---|---|---|---|
| P mm | W1 (Min) mm | d1 (Max) mm | d2 (Max) mm | W2 (Max) mm | W3 (Min) mm | b1 (Max) mm | h1 (Max) mm | t1 (Nom) mm | t2 (Nom) mm | b2 (Max) mm | |
| RS65 | 41.30 | 21.40 | 15.88 | 8.28 | 28.30 | 28.70 | 39.50 | 21.50 | 3.20 | 3.00 | 42.50 | 
| ROLON Part No. | Overall Width | Tensile Strength | Attachment Intervals | Attachment Dimensions | ||||||
|---|---|---|---|---|---|---|---|---|---|---|
| b3 (Max) mm | (Min) kgf | A (Nom) mm | B (Nom) mm | C (Nom) mm | D (Nom) mm | h2 (Nom) mm | h3 (Nom) mm | t3 (Nom) mm | ||
| RS65 | 44.50 | 5400 | Every 4th Pitch | 60.00 | 83.00 | 6.60 | 28.60 | 25.00 | 33.00 | 3.00 | 
 
															FEEDER CHAIN
| ROLON Part No. | Pitch | WBIP | Roller Dia | Pin Dia | WOIP | WBOP | Pin Height | Inner Plate Height | Inner Plate Thick | Outer Plate Thick | Cotter Pin Width | 
|---|---|---|---|---|---|---|---|---|---|---|---|
| P mm | W1 (Min) mm | d1 (Max) mm | d2 (Max) mm | W2 (Max) mm | W3 (Min) mm | b1 (Max) mm | h1 (Max) mm | t1 (Nom) mm | t2 (Nom) mm | b2 (Max) mm | |
| RS225 | 38.40 | 18.70 | 15.88 | 6.93 | 24.20 | 24.30 | 32.80 | 17.20 | 2.50 | 2.50 | 36.50 | 
| ROLON Part No. | Overall Width | Tensile Strength | Attachment Intervals | Attachment Dimensions | |||||
|---|---|---|---|---|---|---|---|---|---|
| b3 (Max) mm | (Min) kgf | A (Nom) mm | B (Nom) mm | C (Nom) mm | h2 (Nom) mm | t3 (Nom) mm | |||
| RS225 | 38.00 | 3575 | Every 6th Pitch | 57 | 86 | 8.5 | 16 | 2.5 | |
 
															 
															ELEVATOR CHAIN
| ROLON Part No. | Pitch | WBIP | Roller Dia | Pin Dia | WOIP | WBOP | Pin Height | Inner Plate Height | Inner Plate Thick | Outer Plate Thick | Cotter Pin Width | 
|---|---|---|---|---|---|---|---|---|---|---|---|
| P mm | W1 (Min) mm | d1 (Max) mm | d2 (Max) mm | W2 (Max) mm | W3 (Min) mm | b1 (Max) mm | h1 (Max) mm | t1 (Nom) mm | t2 (Nom) mm | b2 (Max) mm | |
| RS226 | 38.40 | 18.70 | 15.88 | 6.93 | 24.20 | 24.30 | 32.80 | 17.20 | 2.50 | 2.50 | 36.50 | 
| ROLON Part No. | Overall Width | Tensile Strength | Attachment Intervals | Attachment Dimensions | ||||||
|---|---|---|---|---|---|---|---|---|---|---|
| b3 (Max) mm | (Min) kgf | A (Nom) mm | B (Nom) mm | C (Nom) mm | D (Nom) mm | h2 (Nom) mm | h3 (Nom) mm | t3 (Nom) mm | ||
| RS226 | 38.00 | 3575 | Every 4th Pitch | 52.00 | 70.00 | 8.40 | 27.00 | 24.00 | 34.50 | 2.5 | 
 
															ROLLER CHAIN FOR HARVESTER APPLICATION
BRITISH STANDARD ROLLER CHAINS - SIMPLEX
ISO 606 / DIN 8187 / BS 228
| ROLON Part No. | ISO Part No. | Pitch | WBIP | Roller Dia | Pin Height | Pin Dia | Transverse Pitch | Overall Width | Inner Plate Height | Connecting Pin Width | Tensile Strength | Average Weight | |
|---|---|---|---|---|---|---|---|---|---|---|---|---|---|
| Spring Clip Type | Cotter Type | ||||||||||||
| P mm | W (Min) mm | d1 (Max) mm | bl (Max) mm | d2 (Max) mm | e mm | b4 (Max) mm | h (Max) mm | b2 (Max) mm | b3 (Max) mm | (Min) kgf | kg/m | ||
| R1595 | 10B-1 | 15.875 | 9.65 | 10.16 | 19.60 | 5.08 | - | 23.70 | 14.73 | 23.70 | - | 2264 | 0.95 | 
| R1911 | 12B-1 | 19.05 | 11.68 | 12.07 | 22.70 | 5.72 | - | 27.30 | 16.13 | 27.30 | - | 2947 | 1.21 | 
| R2517 | 16B-1 | 25.4 | 17.02 | 15.88 | 36.10 | 8.28 | - | 41.50 | 21.08 | 41.50 | - | 6119 | 2.71 | 
| R5031 | 32B-1 | 50.8 | 30.99 | 29.21 | 67.40 | 17.81 | - | 75.30 | 42.29 | - | 75.30 | 25493 | 10.00 | 
ANSI STANDARD ROLLER CHAINS - SIMPLEX
ANSI 606 / ASME B 29.1 / DIN8188 / ISO 606
| ROLON Part No. | ISO Part No. | Pitch | WBIP | Roller Dia | Pin Height | Pin Dia | Transverse Pitch | Overall Width | Inner Plate Height | Connecting Pin Width | Tensile Strength | Average Weight | |
|---|---|---|---|---|---|---|---|---|---|---|---|---|---|
| Spring Clip Type | Cotter Type | ||||||||||||
| P mm | W (Min) mm | d1 (Max) mm | bl (Max) mm | d2 (Max) mm | e mm | b4 (Max) mm | h (Max) mm | b2 (Max) mm | b3 (Max) mm | (Min) kgf | kg/m | ||
| R50 | 50-1 | 15.875 | 9.40 | 10.16 | 21.80 | 5.09 | - | 25.90 | 15.09 | 25.90 | - | 2223 | 1.09 | 
BRITISH STANDARD ROLLER CHAINS - DUPLEX
ISO 606 / DIN 8187 / BS 228
| ROLON Part No. | ISO Part No. | Pitch | WBIP | Roller Dia | Pin Height | Pin Dia | Transverse Pitch | Overall Width | Inner Plate Height | Connecting Pin Width | Tensile Strength | Average Weight | |
|---|---|---|---|---|---|---|---|---|---|---|---|---|---|
| Spring Clip Type | Cotter Type | ||||||||||||
| P mm | W (Min) mm | d1 (Max) mm | bl (Max) mm | d2 (Max) mm | e mm | b4 (Max) mm | h (Max) mm | b2 (Max) mm | b3 (Max) mm | (Min) kgf | kg/m | ||
| DR1595 | 10B-2 | 15.875 | 9.65 | 10.16 | 36.20 | 5.08 | 16.59 | 40.30 | 14.73 | 40.30 | - | 4538 | 1.88 | 
 
															SIMPLEX ROLLER CHAIN FOR ROTAVATOR APPLICATION
BRITISH STANDARD ROLLER CHAINS - SIMPLEX
ISO 606 / DIN 8187 / BS 228
| ROLON Part No. | ISO Part No. | Pitch | WBIP | Roller Dia | Pin Height | Pin Dia | Overall Width | Inner Plate Height | Connecting Pin Width | Tensile Strength | Average Weight | |
|---|---|---|---|---|---|---|---|---|---|---|---|---|
| Spring Clip Type | Cotter Type | |||||||||||
| P mm | W (Min) mm | d1 (Max) mm | bl (Max) mm | d2 (Max) mm | b4 (Max) mm | h (Max) mm | b2 (Max) mm | b3 (Max) mm | (Min) kgf | kg/m | ||
| R3825 | 24B-1 | 38.10 | 25.40 | 25.40 | 53.40 | 14.63 | 60.00 | 33.40 | - | 60.00 | 16316 | 7.23 | 
| R3825BS* | 24B-1 | 38.10 | 25.40 | 25.40 | 53.40 | 14.63 | 60.00 | 33.40 | - | 60.00 | 16316 | 7.23 | 
| R4431 | 28B-1 | 44.45 | 30.99 | 27.94 | 65.10 | 15.90 | 72.50 | 37.08 | - | 72.50 | 20395 | 9.54 | 
* SOLID BUSH CHAIN
ANSI STANDARD ROLLER CHAINS - SIMPLEX
ANSI 606 / ASME B 29.1 / DIN8188 / ISO 606
| ROLON Part No. | ISO Part No. | Pitch | WBIP | Roller Dia | Pin Height | Pin Dia | Overall Width | Inner Plate Height | Connecting Pin Width | Tensile Strength | Average Weight | |
|---|---|---|---|---|---|---|---|---|---|---|---|---|
| Spring Clip Type | Cotter Type | |||||||||||
| P mm | W (Min) mm | d1 (Max) mm | bl (Max) mm | d2 (Max) mm | b4 (Max) mm | h (Max) mm | b2 (Max) mm | b3 (Max) mm | (Min) kgf | kg/m | ||
| R100 | 100-1 | 31.75 | 18.90 | 19.05 | 41.10 | 9.54 | 47.20 | 30.17 | - | 47.20 | 8872 | 4.09 | 
| R140 | 140-1 | 44.45 | 25.22 | 25.40 | 54.90 | 12.71 | 62.30 | 42.23 | - | 62.30 | 17336 | 7.74 | 
ANSI STANDARD HEAVY SERIES ROLLER CHAINS - SIMPLEX
ANSI 606 / ASME B 29.1 / DIN8188 / ISO 606
| ROLON Part No. | ISO Part No. | Pitch | WBIP | Roller Dia | Pin Height | Pin Dia | Overall Width | Inner Plate Height | Connecting Pin Width | Tensile Strength | Average Weight | |
|---|---|---|---|---|---|---|---|---|---|---|---|---|
| Spring Clip Type | Cotter Type | |||||||||||
| P mm | W (Min) mm | d1 (Max) mm | bl (Max) mm | d2 (Max) mm | b4 (Max) mm | h (Max) mm | b2 (Max) mm | b3 (Max) mm | (Min) kgf | kg/m | ||
| R80H | 80H-1 | 25.40 | 15.75 | 15.88 | 37.40 | 7.94 | 42.80 | 24.13 | 42.80 | - | 5670 | 3.18 | 
| R80HBSM* | 80H-1 | 25.40 | 15.75 | 15.88 | 37.40 | 7.94 | - | 24.13 | - | - | 5670 | 3.18 | 
| R100H | 100H-1 | 31.75 | 18.90 | 19.05 | 44.50 | 9.54 | 50.60 | 30.17 | - | 50.60 | 8872 | 4.57 | 
| R100HSBS** | 100H-1 | 31.75 | 18.90 | 19.05 | 44.50 | 9.54 | - | 30.17 | - | - | 8872 | 5.11 | 
| R100HBSM* | 100H-1 | 31.75 | 18.90 | 19.05 | 44.50 | 9.54 | - | 30.17 | - | - | 8872 | 4.57 | 
| R120H | 120H-1 | 38.10 | 25.22 | 22.23 | 55.00 | 11.11 | 61.60 | 36.20 | - | 61.60 | 12747 | 6.67 | 
| R120HSBS** | 120H-1 | 38.10 | 25.22 | 22.23 | 55.00 | 11.11 | - | 36.20 | - | - | 12747 | 7.54 | 
* SOLID BUSH CHAIN
** STRAIGHT SIDED PLATE & SOLID BUSH CHAIN
 
															DUPLEX ROLLER CHAIN FOR ROTAVATOR APPLICATION
BRITISH STANDARD ROLLER CHAINS - DUPLEX
ISO 606 / DIN 8187 / BS 228
| ROLON Part No. | ISO Part No. | Pitch | WBIP | Roller Dia | Pin Height | Pin Dia | Transverse Pitch | Overall Width | Inner Plate Height | Connecting Pin Width | Tensile Strength | Average Weight | |
|---|---|---|---|---|---|---|---|---|---|---|---|---|---|
| Spring Clip Type | Cotter Type | ||||||||||||
| P mm | W (Min) mm | d1 (Max) mm | bl (Max) mm | d2 (Max) mm | e mm | b4 (Max) mm | h (Max) mm | b2 (Max) mm | b3 (Max) mm | (Min) kgf | kg/m | ||
| DR3119 | 20B-2 | 31.75 | 19.56 | 19.05 | 79.70 | 10.19 | 36.45 | 85.80 | 26.42 | - | 85.80 | 17335 | 7.79 | 
| DR3825 | 24B-2 | 38.10 | 25.40 | 25.40 | 101.80 | 14.63 | 48.36 | 108.40 | 33.40 | - | 108.40 | 28553 | 14.29 | 
ANSI STANDARD ROLLER CHAINS - DUPLEX
ANSI 606 / ASME B 29.1M / DIN 8188 / ISO 606
| ROLON Part No. | ISO Part No. | Pitch | WBIP | Roller Dia | Pin Height | Pin Dia | Transverse Pitch | Overall Width | Inner Plate Height | Connecting Pin Width | Tensile Strength | Average Weight | |
|---|---|---|---|---|---|---|---|---|---|---|---|---|---|
| Spring Clip Type | Cotter Type | ||||||||||||
| P mm | W (Min) mm | d1 (Max) mm | bl (Max) mm | d2 (Max) mm | e mm | b4 (Max) mm | h (Max) mm | b2 (Max) mm | b3 (Max) mm | (Min) kgf | kg/m | ||
| DR100 | 100-2 | 31.75 | 18.90 | 19.05 | 77.00 | 9.54 | 35.76 | 83.10 | 30.17 | - | 83.10 | 17744 | 8.10 | 
| DR140 | 140-2 | 44.45 | 25.22 | 25.40 | 103.60 | 12.71 | 48.87 | 111.00 | 42.23 | - | 111.00 | 34671 | 15.35 | 
ANSI STANDARD HEAVY SERIES ROLLER CHAINS - DUPLEX
ANSI 606 / ASME B 29.1M / DIN 8188 / ISO 606
| ROLON Part No. | ISO Part No. | Pitch | WBIP | Roller Dia | Pin Height | Pin Dia | Transverse Pitch | Overall Width | Inner Plate Height | Connecting Pin Width | Tensile Strength | Average Weight | |
|---|---|---|---|---|---|---|---|---|---|---|---|---|---|
| Spring Clip Type | Cotter Type | ||||||||||||
| P mm | W (Min) mm | d1 (Max) mm | bl (Max) mm | d2 (Max) mm | e mm | b4 (Max) mm | h (Max) mm | b2 (Max) mm | b3 (Max) mm | (Min) kgf | kg/m | ||
| DR100H | 100H-2 | 31.75 | 18.90 | 19.05 | 83.60 | 9.54 | 39.09 | 89.70 | 30.17 | - | 89.70 | 17744 | 9.09 | 
| DR120H | 120H-2 | 38.10 | 25.22 | 22.23 | 103.90 | 11.11 | 48.87 | 110.50 | 36.20 | - | 110.50 | 25493 | 13.23 | 
 
															SIMPLEX ROLLER CHAIN FOR POWER TILLER APPLICATION
BRITISH STANDARD ROLLER CHAINS - SIMPLEX
ISO 606 / DIN 8187 / BS 228
| ROLON Part No. | ISO Part No. | Pitch | WBIP | Roller Dia | Pin Height | Pin Dia | Overall Width | Inner Plate Height | Connecting Pin Width | Tensile Strength | Average Weight | |
|---|---|---|---|---|---|---|---|---|---|---|---|---|
| Spring Clip Type | Cotter Type | |||||||||||
| P mm | W (Min) mm | d1 (Max) mm | bl (Max) mm | d2 (Max) mm | b4 (Max) mm | h (Max) mm | b2 (Max) mm | b3 (Max) mm | (Min) kgf | kg/m | ||
| # R957 | 06B-1 | 9.525 | 5.72 | 6.35 | 13.50 | 3.28 | 16.80 | 8.26 | 16.80 | - | 908 | 0.42 | 
| R1595 | 10B-1 | 15.875 | 9.65 | 10.16 | 19.05 | 5.08 | 23.70 | 14.73 | 23.70 | - | 2264 | 0.95 | 
| R1911 | 12B-1 | 19.05 | 11.68 | 12.07 | 22.70 | 5.72 | 27.30 | 16.13 | 27.30 | - | 2947 | 1.21 | 
| R2517 | 16B-1 | 25.40 | 17.02 | 15.88 | 36.10 | 8.28 | 41.50 | 21.08 | 41.50 | - | 6119 | 2.71 | 
| R3119 | 20B-1 | 31.75 | 19.56 | 19.05 | 43.20 | 10.19 | 49.30 | 26.42 | - | 49.30 | 9688 | 3.94 | 
| R3825 | 24B-1 | 38.10 | 25.40 | 25.40 | 53.40 | 14.63 | 60.00 | 33.40 | - | 60.00 | 16316 | 7.23 | 
| R3825BS* | 24B-1 | 38.10 | 25.40 | 25.40 | 53.40 | 14.63 | 60.00 | 33.40 | - | 60.00 | 16316 | 7.23 | 
| R4431 | 28B-1 | 44.45 | 30.99 | 27.94 | 65.10 | 15.90 | 72.50 | 37.08 | - | 72.50 | 20395 | 9.54 | 
# STRAIGHT SIDED PLATE CHAIN
* SOLID BUSH CHAIN
ANSI STANDARD HEAVY SERIES ROLLER CHAINS - SIMPLEX
ANSI 606 / ASME B 29.1 / DIN8188 / ISO 606
| ROLON Part No. | ISO Part No. | Pitch | WBIP | Roller Dia | Pin Height | Pin Dia | Overall Width | Inner Plate Height | Connecting Pin Width | Tensile Strength | Average Weight | |
|---|---|---|---|---|---|---|---|---|---|---|---|---|
| Spring Clip Type | Cotter Type | |||||||||||
| P mm | W (Min) mm | d1 (Max) mm | bl (Max) mm | d2 (Max) mm | b4 (Max) mm | h (Max) mm | b2 (Max) mm | b3 (Max) mm | (Min) kgf | kg/m | ||
| R100H | 100H-1 | 31.75 | 18.90 | 19.05 | 44.50 | 9.54 | 50.60 | 30.17 | - | 50.60 | 8872 | 4.57 | 
| R100HSBS** | 100H-1 | 31.75 | 18.90 | 19.05 | 44.50 | 9.54 | - | 30.17 | - | - | 8872 | 5.11 | 
| R120HSBS** | 120H-1 | 38.10 | 25.22 | 22.23 | 55.00 | 11.11 | - | 36.20 | - | - | 12747 | 7.54 | 
** STRAIGHT SIDED PLATE & SOLID BUSH CHAIN
ROLLON SPECIAL CHAINS - SIMPLEX
| ROLON Part No. | ISO Part No. | Pitch | WBIP | Roller Dia | Pin Height | Pin Dia | Overall Width | Inner Plate Height | Connecting Pin Width | Tensile Strength | Average Weight | |
|---|---|---|---|---|---|---|---|---|---|---|---|---|
| Spring Clip Type | Cotter Type | |||||||||||
| P mm | W (Min) mm | d1 (Max) mm | bl (Max) mm | d2 (Max) mm | b4 (Max) mm | h (Max) mm | b2 (Max) mm | b3 (Max) mm | (Min) kgf | kg/m | ||
| # RS29H | - | 19.05 | 12.80 | 14.28 | 32.00 | 7.94 | - | 18.80 | - | - | 6900 | 2.75 | 
| R520BS | - | 15.875 | 6.30 | 10.16 | 17.60 | 5.22 | - | 15.00 | - | - | 2700 | 1.06 | 
# STRAIGHT SIDED PLATE CHAIN
 
															DUPLEX ROLLER CHAIN FOR POWER TILLER APPLICATION
BRITISH STANDARD ROLLER CHAINS - DUPLEX
ISO 606 / DIN 8187 / BS 228
| ROLON Part No. | ISO Part No. | Pitch | WBIP | Roller Dia | Pin Height | Pin Dia | Transverse Pitch | Overall Width | Inner Plate Height | Connecting Pin Width | Tensile Strength | Average Weight | |
|---|---|---|---|---|---|---|---|---|---|---|---|---|---|
| Spring Clip Type | Cotter Type | ||||||||||||
| P mm | W (Min) mm | d1 (Max) mm | bl (Max) mm | d2 (Max) mm | e mm | b4 (Max) mm | h (Max) mm | b2 (Max) mm | b3 (Max) mm | (Min) kgf | kg/m | ||
| DR1278 | 08B-2 | 12.70 | 7.75 | 8.51 | 31.00 | 4.51 | 13.92 | 34.90 | 11.81 | 34.90 | - | 3172 | 1.34 | 
| DR3119 | 20B-2 | 31.75 | 19.60 | 19.05 | 79.70 | 10.19 | 36.45 | 85.80 | 26.42 | - | 85.80 | 17335 | 7.79 | 
ANSI STANDARD ROLLER CHAINS - DUPLEX
ANSI 606 / ASME B 29.1 / DIN8188 / ISO 606
| ROLON Part No. | ISO Part No. | Pitch | WBIP | Roller Dia | Pin Height | Pin Dia | Transverse Pitch | Overall Width | Inner Plate Height | Connecting Pin Width | Tensile Strength | Average Weight | |
|---|---|---|---|---|---|---|---|---|---|---|---|---|---|
| Spring Clip Type | Cotter Type | ||||||||||||
| P mm | W (Min) mm | d1 (Max) mm | bl (Max) mm | d2 (Max) mm | e mm | b4 (Max) mm | h (Max) mm | b2 (Max) mm | b3 (Max) mm | (Min) kgf | kg/m | ||
| DR50 | 50-2 | 15.875 | 9.40 | 10.16 | 39.90 | 5.09 | 18.11 | 44.00 | 15.09 | 44.00 | - | 4446 | 2.15 | 
 
															ROLLER CHAIN FOR BALER APPLICATION
BRITISH STANDARD ROLLER CHAINS - SIMPLEX
ISO 606 / DIN 8187 / BS 228
| ROLON Part No. | ISO Part No. | Pitch | WBIP | Roller Dia | Pin Height | Pin Dia | Overall Width | Inner Plate Height | Connecting Pin Width | Tensile Strength | Average Weight | 
|---|---|---|---|---|---|---|---|---|---|---|---|
| P mm | W (Min) mm | d1 (Max) mm | bl (Max) mm | d2 (Max) mm | b4 (Max) mm | h (Max) mm | Spring Clip Type b2 (Max) mm | (Min) kgf | kg/m | ||
| R1278 | 08B-1 | 12.70 | 7.75 | 8.51 | 17.00 | 4.51 | 20.90 | 11.81 | 20.90 | 1816 | 0.71 | 
ANSI STANDARD HEAVY SERIES ROLLER CHAINS - SIMPLEX
ANSI 606 / ASME B 29.1 / DIN 8188 / ISO 606
| ROLON Part No. | ISO Part No. | Pitch | WBIP | Roller Dia | Pin Height | Pin Dia | Overall Width | Inner Plate Height | Connecting Pin Width | Tensile Strength | Average Weight | 
|---|---|---|---|---|---|---|---|---|---|---|---|
| P mm | W (Min) mm | d1 (Max) mm | bl (Max) mm | d2 (Max) mm | b4 (Max) mm | h (Max) mm | Spring Clip Type b2 (Max) mm | (Min) kgf | kg/m | ||
| R60H | 60H-1 | 19.05 | 12.57 | 11.91 | 30.20 | 5.96 | 34.80 | 18.10 | 34.80 | 3192 | 1.92 | 
ROLLON SPECIAL CHAINS - SIMPLEX
| ROLON Part No. | ISO Part No. | Pitch | WBIP | Roller Dia | Pin Height | Pin Dia | Overall Width | Inner Plate Height | Connecting Pin Width | Tensile Strength | Average Weight | 
|---|---|---|---|---|---|---|---|---|---|---|---|
| P mm | W (Min) mm | d1 (Max) mm | bl (Max) mm | d2 (Max) mm | b4 (Max) mm | h (Max) mm | Spring Clip Type b2 (Max) mm | (Min) kgf | kg/m | ||
| R50H | - | 15.875 | 9.40 | 10.16 | 23.40 | 5.09 | 27.50 | 15.09 | 27.50 | 2223 | 1.23 | 
 
															ROLLER CHAIN FOR AGRICULTURAL APPLICATION
BRITISH STANDARD ROLLER CHAINS - SIMPLEX
ISO 606 / DIN 8187 / BS 228
| ROLON Part No. | ISO Part No. | Pitch | WBIP | Roller Dia | Pin Height | Pin Dia | Transverse Pitch | Overall Width | Inner Plate Height | Connecting Pin Width | Tensile Strength | Average Weight | Application | 
|---|---|---|---|---|---|---|---|---|---|---|---|---|---|
| Spring Clip Type | |||||||||||||
| P mm | W (Min) mm | d1 (Max) mm | bl (Max) mm | d2 (Max) mm | b4 (Max) mm | b4 (Max) mm | h (Max) mm | b2 (Max) mm | (Min) kgf | kg/m | |||
| R1278 | 08B-1 | 12.70 | 7.75 | 8.51 | 17.00 | 4.51 | - | 20.90 | 11.81 | 20.90 | 1816 | 0.71 | Seeding and Fertilizing & Coir Spooling Drive | 
| R1595 | 10B-1 | 15.875 | 9.65 | 10.16 | 19.60 | 5.08 | - | 23.70 | 14.73 | 23.70 | 2264 | 0.95 | Straw Reaper | 
BRITISH STANDARD ROLLER CHAINS - DUPLEX
ISO 606 / DIN 8187 / BS 228
| ROLON Part No. | ISO Part No. | Pitch | WBIP | Roller Dia | Pin Height | Pin Dia | Transverse Pitch | Overall Width | Inner Plate Height | Connecting Pin Width | Tensile Strength | Average Weight | Application | 
|---|---|---|---|---|---|---|---|---|---|---|---|---|---|
| Spring Clip Type | |||||||||||||
| P mm | W (Min) mm | d1 (Max) mm | bl (Max) mm | d2 (Max) mm | b4 (Max) mm | b4 (Max) mm | h (Max) mm | b2 (Max) mm | (Min) kgf | kg/m | |||
| DR2517 | 16B-2 | 25.40 | 17.02 | 15.88 | 68.00 | 8.28 | 31.88 | 73.40 | 21.08 | 73.40 | 10809 | 5.38 | Ridge Blaster | 
 
															 
				